Nuestros servicios de protección contra incendio
En FP ONEROMA, ofrecemos servicios especializados para asegurar la máxima eficiencia y cumplimiento de tus sistemas de agua contra incendio. Nuestro enfoque está centrado en brindar soluciones efectivas y en el cumplimiento de las normas NFPA establecidas.
La seguridad es primero.
Inspección, prueba y mantenimiento
Aseguramos la fiabilidad de tus sistemas contra incendios con inspecciones rigurosas, pruebas exhaustivas y programas de mantenimiento preventivo, garantizando el cumplimiento de todas las normativas.
Investigación de obstrucciones
Identificamos y resolvemos obstrucciones en tus tuberías de agua contra incendio, para restaurar el flujo óptimo y la funcionalidad de tu sistema.
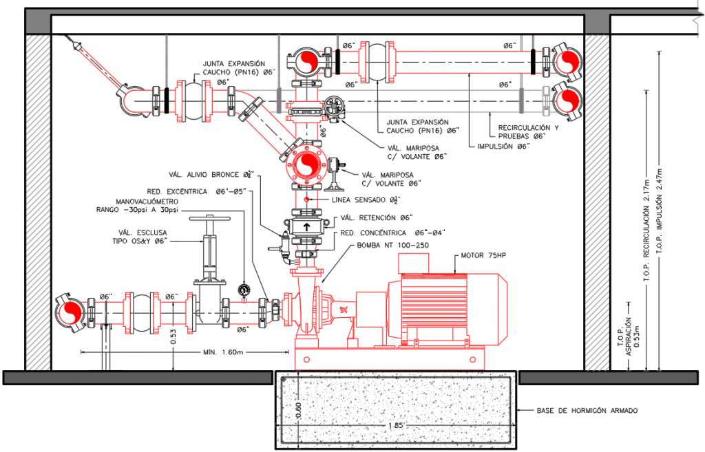
Diseño de sistemas de agua contra incendio
Diseño de sistemas de protección contra incendio, para instalaciones residenciales, comerciales e industriales, cumpliendo estrictamente con los códigos de seguridad contra incendios.
Administración de obra de agua contra incendio
Ofrecemos administración de instalación de sistema agua contra incendio para garantizar el desarrollo del proyecto de acuerdo a los estándares del diseño y presupuesto.

Contacto
746 JEFFERSON AVE
60120 ELGIN
Horario:
Lun - Vie: 8 am - 5 pm
Sábado: 9 a. m. - 1 p. m.
Domingo: Cerrado
Contacto:
info@fponeromaservices.com
Redes sociales